晶振中心
進口晶振
- SMI晶振
- KDS晶振
- 精工晶振
- 西鐵城晶振
- 愛普生晶振
- 村田晶振
- 日本NDK晶體
- 京瓷晶振
- 臺灣TXC晶振
- 泰藝晶振
- 亞陶晶振
- 希華晶體
- 臺灣津綻晶體
- 美國CTS石英晶振
- 加高晶體
- 大河晶振
- 鴻星晶振
- 富士石英晶體
- AKER晶振
- Lihom晶振
- NAKA晶振
- NKG晶振
- NJR晶振
- Sunny晶振
石英晶體諧振器
歐美晶振
- Abracon晶振
- ECS晶振
- Golledge晶振
- ILSI晶振
- FOX晶振
- fujicom晶振
- AEK晶振
- CRYSTEK晶振
- interquip晶振
- Geyer晶振
- quartzcom晶振
- qantek晶振
- EUROQUARTZ晶振
- quarztechnik晶振
- Cardinal晶振
- FRE-TECH晶振
- KVG晶振
- wi2wi晶振
- AEL晶振
- Transko晶振
- suntsu晶振
- mmdcomp晶振
- MERCURY晶振
- MTRONPTI晶振
- RALTRON晶振
- Microcrystal晶振
- SITIME晶振
- IDT晶振
- Pletronics晶振
- STATEK晶振
- Rakon晶振
- ConnorWinfield晶振
- JAUCH晶振
- VECTRON晶振
- Greenray晶振
- ECLIPTEK晶振
- ACT晶振
- MTI-milliren晶振
- Rubyquartz晶振
- Oscilent晶振
- SHINSUNG晶振
- ITTI晶振
- PDI晶振
- IQD晶振
- Microchip晶振
- Silicon晶振
- Fortiming晶振
- CORE晶振
- NIPPON晶振
- NICKC晶振
- QVS晶振
- Bomar晶振
- Bliley晶振
- GED晶振
- FILTRONETICS晶振
- STD晶振
- Q-Tech晶振
- Anderson晶振
- Wenzel晶振
- NEL晶振
- EM晶振
- PETERMANN晶振
- FCD-Tech晶振
- HEC晶振
- FMI晶振
- Macrobizes晶振
- AXTAL晶振
- ARGO晶振
- Skyworks晶振
- Renesas瑞薩晶振
數碼產品
智能家電
時計產品
車載產品
石英晶體振蕩器

SiTime晶體振蕩器,SiT1534AI-H4-D14-32.768,健身手表6G晶振,可編程晶振,2012mm貼片晶振,美國進口晶振,SiTime晶振,型號:SiT1534,編碼為:SiT1534AI-H4-D14-32.768,頻率為:32.768KHz,小體積晶振尺寸:2.0x1.2mm,SMD晶振,四腳貼片晶振,石英晶振,有源晶振,石英晶體振蕩器。超小,超低功率1Hz-32.768kHz可編程晶振,工廠可編程從32.768kHz到1Hz,<20ppm頻率公差,超低功率: <1µA,Vdd供應范圍: 1.5V到3.63V超過55°C+85°C,支持低壓電池備份從硬幣電池或超級帽,振蕩器輸出消除外部負荷帽,內部過濾消除外部Vdd旁路帽,納米驅動™可編程輸出擺動最低功率,Pb無,RoHS和達到兼容。應用于:手機,平板電腦,健康和健康監視器,健身手表,運動視頻攝像頭,無線鍵盤,超小筆記本電腦,每秒脈沖(pps)計時,RTC參考時鐘,電池管理計時。

SiTime晶體振蕩器,SiT1534AI-H4-D14-32.768,健身手表6G晶振,可編程晶振,2012mm貼片晶振,參數表
| Parameter | Symbol | Min. | Typ. | Max. | Unit | Condition |
| Frequency and Stability | ||||||
| Programmable Output Frequency | 1.00 | 32768.0 | Hz | Factory programmed between 1 and 32.768 kHz in powers of 2 | ||
| Frequency Stability | ||||||
| Frequency Tolerance[1] | F_tol | 20 | ppm | TA=25°C, post reflow, includes underfill, Vdd: 1.5V–3.63V | ||
| Frequency Stability[2] |
F_stab |
75 | ppm | TA= -10°C to +70°C, Vdd: 1.5 V – 3.63 V | ||
| 100 | TA= -40°C to +85°C, Vdd: 1.5 V – 3.63 V | |||||
| 150 | TA= -55°C to +85°C, Vdd: 1.5 V – 3.63 V | |||||
| 250 | TA= -10°C to +70°C, Vdd: 1.2 V – 1.5 V | |||||
| 25。CAging | -1 | 1 | ppm | 1st Year | ||
| Supply Voltage and Current Consumption | ||||||
| Operating Supply Voltage | Vdd | 1.2 | 3.63 | V | TA= -10°C to +70°C | |
| 1.5 | 3.63 | V | TA= -55°C to +85°C | |||
| Core Operating Current[3] | Idd | 0.9 | μA | TA = 25°C, Vdd: 1.8 V. No load | ||
| 1.3 | TA= -10°C to +70°C, Vdd max: 3.63 V. No load | |||||
| 1.4 | TA= -55°C to +85°C, Vdd max: 3.63 V. No load | |||||
| Output Stage Operating Current[3] | Idd_out | 0.065 | 0.125 | μA/Vpp | TA = -40°C to +85°C, Vdd: 1.5 V – 3.63 V. No load | |
| Power-Supply Ramp |
t_Vdd Ramp |
100 | ms | Over temperature, 0 to 90% | ||
| Start-up Time[4] | t_start |
300 + 1 period |
ms | TA = 25°C ±10°C, valid output | ||
|
500 + 1 period |
TA = -55°C to +85°C, valid output | |||||
| Operating TemperatureRange | ||||||
| Commercial Temperature | T_use | -10 | 70 | °C | ||
| Industrial Temperature | -40 | 85 | °C | |||
|
Extended Cold Industrial Temperature |
-55 | 85 | °C | |||
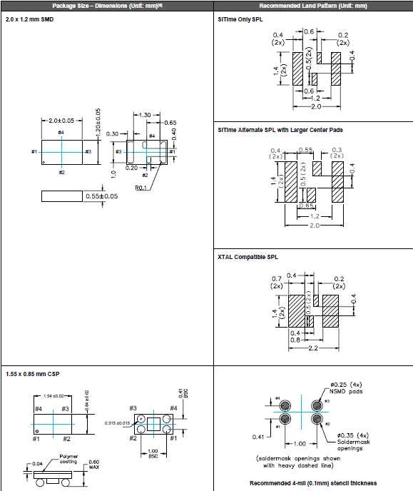
SiTime晶體振蕩器,SiT1534AI-H4-D14-32.768,健身手表6G晶振,可編程晶振,2012mm貼片晶振,尺寸圖

SiTime晶體振蕩器,SiT1534AI-H4-D14-32.768,健身手表6G晶振,可編程晶振,2012mm貼片晶振
產品特點:
工廠可編程范圍為32.768kHz至1Hz
<20 ppm頻率容差
芯片級最小占地面積(CSP):1.5x0.8mm
引腳兼容2.0x1.2 mm XTAL SMD封裝石英晶體振蕩器
超低功率:<1µA
Vdd電源范圍:在-55°C至+85°C范圍內為1.5V至3.63V
支持幣形電池或超級電容器的低電壓電池備份
振蕩器輸出消除了外部負載上限
內部濾波消除了外部Vdd旁路帽
NanoDrive™ 最低功率的可編程輸出擺幅
無鉛,符合RoHS和REACH

深圳市康華爾電子有限公司SHENZHEN KONUAER ELECTRONICS CO.,LTD
電 話:0755-27838351
手 機:13823300879
Q Q:632862232
E-mail:konuaer@163.com
網 址:http://m.tuanchewang.com
地 址:廣東深圳市寶安寶安大道東95號浙商銀行大廈1905











業務經理